
Hexagon Slotted and Castle Nuts - Part 1: Metric Coarse and Fine Pitch Thread, Product Grades A and B
Lorem ipsum dolor sit amet, consectetur adipiscing elit. Ut elit tellus, luctus nec ullamcorper mattis, pulvinar dapibus leo.Lorem ipsum dolor sit amet, consectetur adipiscing elit. Ut elit tellus, luctus nec ullamcorper mattis, pulvinar dapibus leo.Lorem ipsum dolor sit amet, consectetur adipiscing elit. Ut elit tellus, luctus nec ullamcorper mattis, pulvinar dapibus leo.Lorem ipsum dolor sit amet, consectetur adipiscing elit. Ut elit tellus, luctus nec ullamcorper mattis, pulvinar dapibus leo.

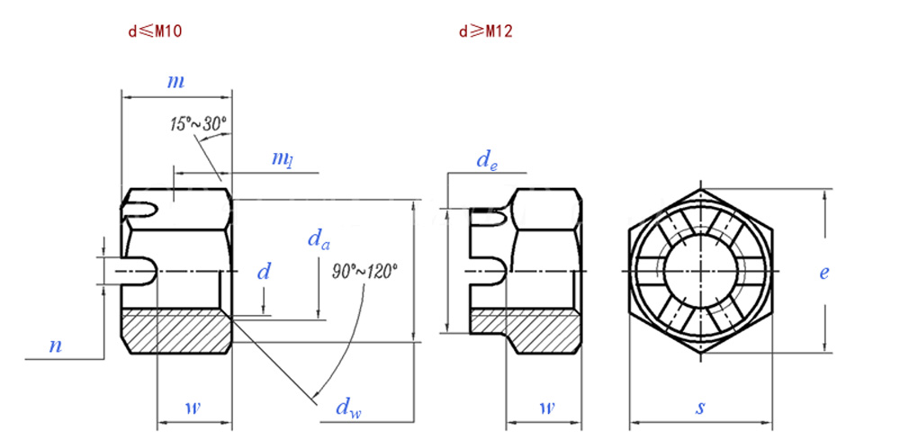
Slotted nuts are designed for use with a cotter pin and a drilled bolt to prevent rotation, commonly used in automotive and machinery assemblies.
"This table provides a clear overview of the technical specifications for different product sizes. The listed dimensions include minimum and maximum values defined by international standards, ensuring accuracy and reliability in diverse applications. By reviewing these details, users can easily identify the right size and configuration for their specific needs, whether in structural projects, mechanical assemblies, or industrial installations. The data is presented in a standardized format to make comparison simple and to support informed decision-making across all product categories."
Materials: Carbon steels (C15, C20, C35, A36, 35CrMo, 42CrMo, 40Cr), Alloy steels (SCM435, SCM440, A325, A490), Stainless steels 201, 202, 301, 302, 303, 304, 304L, 316, 316L, 316Ti, 321, 347, Duplex 2205, Super Duplex 2507, and other special alloys such as Nickel-based alloys, Copper alloys, Aluminum grades 6xxx/7xxx, Titanium, Inconel, and customer-specified materials. Grades & Standards: DIN, ISO, ANSI, ASTM, JIS, GB; property classes 4.8, 5.8, 6.8, 8.8, 10.9, 12.9; A2-50, A2-70, A4-70, A4-80; other mechanical grades on request. Specifications & Dimensions: Metric M3–M120, Inch 1/4″–4″; unlimited length and diameter range; non-standard/custom parts manufactured according to drawings. Surface Treatments & Coatings: Black oxide, phosphating, hot-dip galvanizing, electro-galvanizing, zinc-nickel, nickel plating, chrome plating, cadmium plating, silver plating, gold plating, copper plating, zinc flake (Dacromet/Geomet), Teflon coating, PVD, anodizing, ceramic coatings, and other advanced anti-corrosion finishes. Quality & Documentation: Full QC process with dimensional inspection, hardness and tensile testing upon request, salt-spray corrosion tests, and mill test certificates according to customer requirements.
Every product on our website is fully linked through its name, unique code, and related standard tags. No matter where you click—on the product title, the reference code, or the connected standard—you will be directed straight to the dedicated product page. There, you can instantly access detailed specifications, technical data, and equivalent classifications without extra searching. This interconnected system is designed to make browsing effortless: engineers can quickly verify compliance, buyers can compare alternatives, and all visitors can move smoothly between products and standards. With just one click, you gain complete clarity and confidence while exploring our product range online.
Hexagon Slotted and Castle Nuts - Part 1: Metric Coarse and Fine Pitch Thread, Product Grades A and B
Hexagon Slotted and Castle Nuts - Part 1: Metric Coarse and Fine Pitch Thread, Product Grades A and B
Hexagon Slotted and Castle Nuts - Part 1: Metric Coarse and Fine Pitch Thread, Product Grades A and B
Hexagon Slotted and Castle Nuts - Part 1: Metric Coarse and Fine Pitch Thread, Product Grades A and B
Hexagon Slotted and Castle Nuts - Part 1: Metric Coarse and Fine Pitch Thread, Product Grades A and B
Hexagon Slotted and Castle Nuts - Part 1: Metric Coarse and Fine Pitch Thread, Product Grades A and B
Hexagon Slotted and Castle Nuts - Part 1: Metric Coarse and Fine Pitch Thread, Product Grades A and B
Hexagon Slotted and Castle Nuts - Part 1: Metric Coarse and Fine Pitch Thread, Product Grades A and B
Hexagon Slotted and Castle Nuts - Part 1: Metric Coarse and Fine Pitch Thread, Product Grades A and B
Hexagon Slotted and Castle Nuts - Part 1: Metric Coarse and Fine Pitch Thread, Product Grades A and B